Nipper d'air industriel en acier en tungstène
Les ciseaux spécialisés en carbure de tungstène pour les machines à enrouler, avec leur dureté élevée, leur excellente résistance à l'usure et leurs performances de coupe supérieures, sont largement utilisées dans la production de bobines de moteur, la fabrication des transformateurs, l'ensemble de composants électroniques et d'autres scénarios impliquant une coupe de fil de précision. La plus grande caractéristique de JCR-K est sa capacité à couper et à tirer des fils.
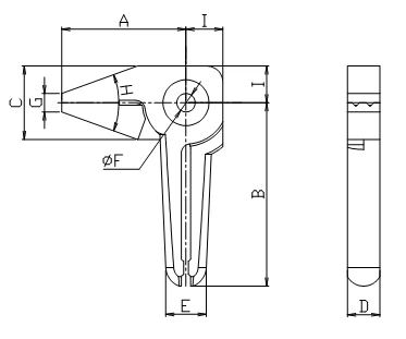
Paramètres du produit

|
|
A |
B |
C |
D |
E |
F |
G |
H |
I |
|
Jcr-k |
27 |
40 |
16 |
7 |
8.8 |
4 |
4 |
40 degrés |
8 |
Caractéristiques et applications du produit
Astuce en carbure → nette et durable
Conception élégante et attrayante → Améliorer l'esthétique globale de l'équipement.
Détails du produit



Équipe technique

● Équipe R&D:Composé de concepteurs mécaniques expérimentés, axés sur l'optimisation de la conception des produits et l'amélioration des performances.
● Équipe de production:Une équipe de techniciens qualifiés familiers avec les processus d'usinage de précision et les opérations d'équipement.
● Support technique:Fournir une consultation de solution avant les ventes et des conseils techniques après-vente pour aider les clients à résoudre les problèmes pratiques pendant la production.
FAQ
Dernières nouvelles de l'entreprise
● Équipement de traitement de haute précision:Utilisation de tours CNC, de machines de broyage de précision et de machines de découpe de fils spécialisées pour assurer la précision de traitement et la finition de surface des composants tels que les lames.
● Équipement de traitement thermique:Utiliser une technologie de traitement thermique avancée pour offrir une excellente dureté et de la ténacité aux produits.
étiquette à chaud: Air Nipper JCR-K Series, China Air Nipper JCR-K Series Fabricants, fournisseurs, usine, nipper unique, Nipper de laboratoire, Notage de journalisation, Nipper à souder, Nipper de détail, Nipper de coupe en plastique


